◎ 本报特约作者 南京大学超导电子学研究所教授、所长王华兵,教授孙国柱,博士李金朋
北京时间2025年10月7日,诺贝尔委员会宣布,将2025年的诺贝尔物理学奖颁给约翰·克拉克(John Clarke)、米歇尔·H·德沃雷(Michel H. Devoret)和约翰·M·马蒂尼斯(John M. Martinis)3人,以表彰他们“在电路中发现宏观量子隧穿效应与能量量子化现象”。
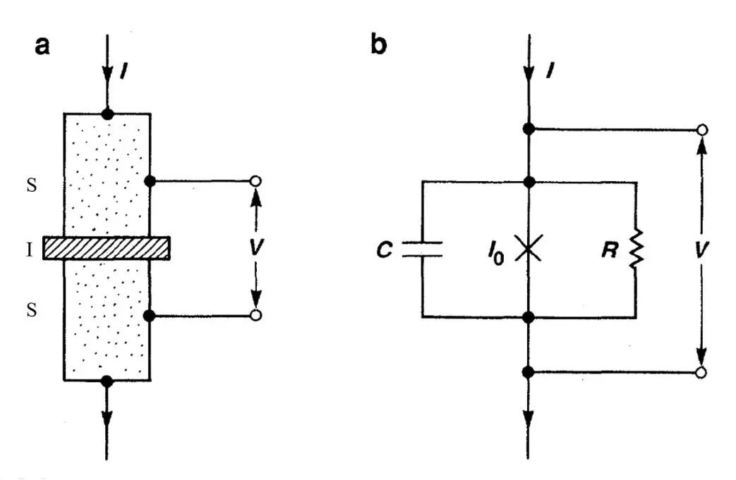
获奖的实验工作,主要是1985年左右,在美国加州大学伯克利分校物理系和劳伦斯伯克利实验室材料和分子研究部,由约翰·克拉克与其博士后米歇尔·H·德沃雷和博士生约翰·M·马蒂尼斯共同完成(时年分别为43岁、32岁和27岁)。他们在基于超导体构建的宏观电路——电流偏置的约瑟夫森结中,展示了一般认为只有在微观世界中才具有的量子隧穿和能量量子化现象,证明了由大量粒子构成的宏观物体也可以像单个微观粒子一样遵守量子力学原理,体现出宏观量子力学效应(Macroscopic Quantum Effect, MQE)。这一发现,对于深入探索量子力学的适用尺度,发展基于超导电路的宏观量子器件,继而开展超导量子信息技术研究具有深远的意义。

推动在宏观物理系统中观测量子力学效应
一般认为,量子力学的使用范围是微观尺寸,比如电子、原子、分子,尺寸不超过纳米级别,然而,3位诺奖获得者展示的超导电路,其尺寸在数十微米量级,已是肉眼可以分辨的尺寸级别。在如此大的尺寸下,观测到量子隧穿和能量量子化现象,说明在特定条件下,量子力学的适用范围可以推广到宏观物体。他们的开创性研究成果,直接激励了人们在诸如质量达数十微克的机械振子、电磁场和玻色爱因斯坦凝聚体中观测类似的宏观量子力学效应,也将使人们进一步去设想在更大甚至人体等宏观物理系统观测量子力学效应的可能性。
几乎与约翰·克拉克等开展实验工作的同时,20世纪80年代初,物理学家费曼就提出了利用量子计算机来模拟量子系统。用经典计算机模拟复杂量子系统,需要巨大甚至无法实现的资源。而量子计算机,其基本原理就是量子力学,因此,模拟量子系统是自然而然的事情。然而,要实现实用的量子计算机,需要类似经典计算机一样的包括CPU、主板等硬件系统。3位诺奖获得者的工作,证明了经过仔细构建的超导电路可以按照量子力学原理运行,而这是能够进一步开展超导量子计算研究的重要前提!此外,实验中所用超导电路的设计、制备与成熟的半导体工艺十分相似,有些还是兼容的,在可扩展、可控性方面有着很好的优势。这个超导电路类似人工原子,其中的量子化能级是可以原位控制和改变的,可以通过直流、射频、微波等方式,非常方便地对这些人工原子进行量子态的制备、操控和读取。
量子计算正在形成相应产业链
正是今年诺奖工作建立的核心前提,以及兴起于20世纪90年代的量子计算研究大潮,让包括获奖者在内的多位物理学家一起逐渐拉开了超导量子计算研究的序幕。进入21世纪后,全世界的众多研究者积极探索,推动了超导量子技术的快速发展,在材料、架构、性能和理论等方面,都有系统性的进步。从最开始的Pb、Al、Nb到现在的Ta;从最早的超导电荷量子比特、磁通量子比特、相位量子比特,到现在各种优化的诸如传输子量子比特;从最开始的能量弛豫时间几个纳秒到现在的毫秒量级相干时间;从最开始的单个约瑟夫森结到现在千数量级的超导量子比特规模;从早期“玩具型”的量子算法演示,到现今深入开展的量子纠错研究。众多技术的发展,令人对超导量子计算机的实用化充满了期待。
今年诺贝尔物理学奖的颁发,一方面会激励人们在更大物理系统中进行宏观量子力学效应的探索和应用研究,诸如在更大空间尺度和更大质量的无机甚至有机系统中的MQE研究;另一方面也会让基于超导电路开展基础物理和潜在应用研究的群体更加受到鼓舞,诸如利用超导量子电路开展暗物质粒子探测和超导量子计算机研究等,继续推动相关技术的突破。对于有重大应用潜力的量子计算机研究,一旦超导量子计算机或者任何一种通用量子计算机实现了,对于全球的各个领域,特别是国防、经济、人工智能等领域都会产生极大影响。因此,许多政府都从国家层面制定了量子计算的发展规划,众多商业公司也投入了许多资源开发量子计算这一高新技术。目前,包括超导在内的量子计算,正在形成相应的产业链,未来必将推动更多相关产业的发展。值得提及的是,诺奖的认可,会让普通大众对量子力学现象和超导量子技术的兴趣和认识进一步提升。同时,我们也注意到,此次诺奖是对基础量子物理实验研究的认可,并没有直接授奖于相关量子信息技术。科学家们还在努力推动包括超导量子计算机研究在内的相关技术突破,争取早日实用化。
(本文编辑:朱广清)
友情链接: 政府 高新园区合作媒体
Copyright 1999-2025 尊龙凯时网chinahightech.com All Rights Reserved.京ICP备14033264号-5
电信与信息服务业务经营许可证060344号主办单位:《尊龙凯时技术产业导报》社有限责任公司